Диф. автомат АД14 4Р 50А 30 мА ИЭК
Быстродействующий защитный выключатель, реагирующий на дифференциальный ток, со встроенной защитой от сверхтоков. Обеспечивает три вида защиты – защиту человека от поражения электрическим током при случайном непреднамеренном прикосновении к токоведущим частям электроустановок при повреждениях изоляции; предотвращение пожаров вследствие протекания токов утечки на землю; защиту от перегрузки и короткого замыкания. Аппарат сохраняет работоспособность при пониженном напряжении сети (до 50 В) и обладает высокой механической износостойкостью. В аппарате предусмотрена индикация срабатывания от дифференциального тока.
Свыше 50 типоисполнений на 6 номинальных токов.
Преимущества
• Комбинированная схема с электронным модулем дифференциальной защиты и встроенным выключателем серии ВА47-29.
• Встроенная защита от импульсных (грозовых перенапряжений) – варистор класса D.
• Наиболее надёжная защита человека при прямом прикосновении к токоведущим частям.
• Независимый индикатор положения контактов.
• Широкий диапазон рабочих температур от –25 °С до +50 °С.
• Насечки на контактных зажимах снижают тепловые потери и увеличивают механическую устойчивость соединения.
• Наличие кнопки ТЕСТ для проверки работоспособности устройства и правильности подключения.
• Наличие кнопки ВОЗВРАТ для индикации срабатывания от дифференциального тока.
• Возможность установки дополнительных устройств:
– контакт состояния КС47;
– контакт состояния КСВ47.
Особенности конструкции
![]() | Увеличенный размер головки винта с универсальным шлицом (+ , –) облегчает монтаж и предотвращает выпадение винтов при установке. | ![]() | Широкий диапазон рабочих температур от –25 °С до +50 °С позволяет использовать выключатель в различных климатических поясах. |
![]() | Комбинированная схема с электронным модулем дифференциальной защиты, варистором класса D и встроенным выключателем серии ВА47-29 обеспечивает 4 вида защиты: oт дифференциального тока (тока утечки); от короткого замыкания; от перегрузки; от импульсных (грозовых перенапряжений). | ![]() | Возможность простой самостоятельной установки контактов состояния КС47 и КСВ47. |
![]() | Кнопка ТЕСТ для проверки работоспособности устройства и правильности подключения. | ![]() | Насечки на контактных зажимах снижают тепловые потери и увеличивают механическую устойчивость соединения. |
![]() | Наплавка из серебросодержащего композита повышает износостойкость контактной группы и снижает переходное сопротивление. | ![]() | Кнопка ВОЗВРАТ для индикации срабатывания от дифференциального тока. |
Технические характеристики
| Соответствуют стандартам | ГОСТ Р 51327.1-99, ТУ 99 АГИЕ.641243.039 |
| Номинальное напряжение частотой 50 Гц, В | 230/400 |
| Номинальный ток In, А | 6, 10, 16, 20, 25, 32, 40, 50, 63 |
| Номинальный отключающий дифференциальный ток IDn,мА | 10, 30, 100, 300 |
| Номинальная отключающая способность, А | 4500 |
| Рабочая характеристика при наличии дифференциального тока | АС |
| Время отключения при номинальном дифференциальном токе, мс | ≤40 |
| Число полюсов | 2, 4 |
| Условия эксплуатации | УХЛ4 |
| Степень защиты выключателя | IP20 |
| Износостойкость, циклов В-О, не менее | 10000 |
| Максимальное сечение присоединяемых проводов, мм2 | вход - 25; выход - 16/25* |
| Наличие драгоценных металлов (серебро), г/полюс | 0,6÷2,0 |
| Масса (2/4-полюсные), кг | 0,25/0,45 |
| Диапазон рабочих температур, °С | -25 ÷ +50 |
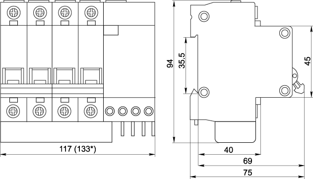
Габаритные размеры

| Основные | |
|---|---|
| Производитель | ИЭК |
| Коммутационная износостойкость | 10000 циклов |
| Максимальная рабочая температура | 50 град. |
| Максимальное сечение провода | 25 кв. мм |
| Механическая износостойкость | 10000 циклов |
| Минимальная рабочая температура | -25 град. |
| Степень защиты IP | 20 |
| Тип УЗО | Выключатель |
| Тип монтажа | На DIN рейку |
| Технические характеристики | |
| Время срабатывания | 40 мс |
| Время-токовые характеристики | D |
| Количество полюсов | 4 шт |
| Номинальная отключающая способность (Icn) | 4500 А |
| Номинальное рабочее напряжение по переменному току | 400 В |
| Номинальный отключающий дифференциальный ток | 30 мА |
| Номинальный ток | 50 А |
| Тип срабатывания УЗО | Электронный |
| Условия использования | АС |
| Пользовательские характеристики | |
| Номинальное напряжение | 230/400 |
- Цена: 560,30 ₴











