Пропонуємо коннектори виробництва компанії ІЕК.
Наконечник DL-050 алюмінієвий кабельний (10,5) ІЕК
Методом опресування, з допомогою наконечників, ви зможете зробити обробляння кінців жил алюмінієвих проводів, тим самим підготуєте якісне з'єднання під гвинт для подальшого монтажу електроустаткування, що сприяє, збільшення терміну служби як самого провідника, так і устаткування, що підключається.
Весь асортимент наконечників
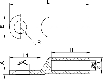
| Найменування | Розміри, мм | Кількість в упаковці | Артикул | ||||||||
| L | L1 | 0C | 2id | 0D | A | E | Н | R | |||
| DL-10 | 59 | 20 | 8,5 | 5,8 | 8 | 2 | 13 | 28 | 6,5 | 20 | UNP10-010-05-08 |
| DL-16 | 64 | 23 | 8,5 | 6,5 | 10 | 2.3 | 15 | 29 | 7,5 | 20 | UNP10-016-06-08 |
| DL-25 | 70 | 25 | 8,5 | 7 | 11 | 2.5 | 16 | 33 | 8 | 20 | UNP10-025-07-08 |
| DL-35 | 75 | 25 | 8,5 | 8,5 | 12 | 2.8 | 18 | 35 | 9 | 20 | UNP10-035-08-10 |
| DL-50 | 84 | 30 | 10,5 | 10 | 14 | 3 | 20 | 39 | 10 | 10 | UNP10-050-09-10 |
| DL-70 | 89 | 30 | 12,5 | 12 | 16 | 3.3 | 24 | 44 | 12 | 10 | UNP10-070-11-12 |
| DL-95 | 93.8 | 36 | 12,5 | 14 | 18 | 3.5 | 26 | 45 | 13 | 10 | UNP10-095-14-12 |
| DL-120 | 105 | 37 | 14,5 | 15,5 | 20 | 4 | 28 | 48 | 14 | 10 | UNP10-120-15-14 |
| DL-150 | 113 | 39 | 14,5 | 16,5 | 22 | 4.2 | 30 | 52 | 15 | 10 | UNP10-150-16-14 |
| DL-185 | 118 | 40 | 16,5 | 19,5 | 24 | 4,4 | 34 | 54 | 17 | 10 | UNP10-185-18-16 |
| DL-240 | 126 | 45 | 16,5 | 22 | 28 | 4,8 | 36 | 56 | 18 | 10 | UNP10-240-21-16 |
| DL-300 | 150 | 54 | 20 | 23 | 30 | 7 | 40 | 65 | 20 | 5 | UNP10-300-24-21 |
| DL-400 | 175 | 63 | 21 | 26 | 38 | 9 | 50 | 70 | 25 | 5 | UNP10-400-26-21 |
Розміри

Характеристики
| Основні | |
|---|---|
| Виробник | ІЕК |
| Матеріал | Алюміній |
Інформація для замовлення
- Ціна: 11,40 ₴



